NEW: myIPS is available

products

Pegler Valve Gate Valve Flange DN80

item: 112152

Pegler Valve type V850 is a Flanged Ductile Iron Gate Valve these valves have non-rising internal threaded stems and use a wheel handle making them easy to operate, it is available in sizes DN50 to DN300

  • WRAS approved
  • Flanged connection
  • PN16 pressure rated
  • Design Standard - BS 5163
  • Side flange connection standard - BS EN 1092-2
  • Testing standard - BS EN 12266
  • Face to face standard - BS EN 558-1

read more
read less
if the download did not start automatically, click here

PDF generation failed, please try again later

applications

steam

steam

potable water

potable water

heating

heating

cooling

cooling

segments

industry

industry

commercial building

commercial building

approvals

WRAS

WRAS

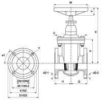
  • dimensions
  • specifications
  • downloads
  • ETIM
  • sustainability

label

value

label

d1

value

88.0

label

DN1

value

DN80

label

l1

value

100

label

z1

value

100

label

d2

value

88.0

label

DN2

value

DN80

label

l2

value

100

label

z2

value

100

label

n2

value

8

label

k2

value

160

label

b2

value

19

label

d2-2

value

18

label

D2

value

200

label

M

value

200

label

H

value

257

label

Y

value

48

label

V

value

209

label

U

value

112

label

D1

value

200

label

a

value

90

drawing for product

product info

item

Pegler Valve Gate Valve Flange DN80

item number with gtin

112152 (05022050437556)

product number with gtin

112152 (05022050578495)

manufacturer

Aalberts integrated piping systems Ltd (Pegler)

size

DN80

weight

19 kg

dimensions

200x203x380 mm

characteristics

color

blue

materials

cast iron (Cast iron EN-GJS-450-10)

finishing

powder

shape

straight

connection type

flange, flange

pressure rating (PN)

PN 16

sealing

EPDM

technical

max operating pressure liquid

16 bar

max medium temperature

80 °C

peak medium temperature

80 °C

Kvs-value

519

general

product group

valves (EPDM)

HS code

84818069

brand

Pegler

series

Gate Valve

type

V850

UNSPS

40141613

image for V850

image | jpg

V850

image for Diagram

diagram | jpg

Diagram

certifications | pdf

Pegler Gate valves V850 WRAS

label

value

label

etim-class

label

Diameter bolt hole

value

18

label

Diameter bolt hole (imperial)

value

0.71"

label

Housing material

value

Cast iron

label

Outer pipe diameter all connections

value

88mm

label

Outer pipe diameter all connections (imperial)

value

3.46"

label

Connection 1

value

Flange

label

With coupling connection 1

value

No

label

Connection 2

value

Flange

label

With coupling connection 2

value

No

label

Article compression class

value

PN 16

label

Flange compression class

value

PN 16

label

Standard

value

DIN

label

FM quality mark

value

No

label

UL quality mark

value

No

label

ULC quality mark

value

No

label

LPCB quality mark

value

No

label

Medium temperature (continuous)

value

80°C

label

Medium temperature (continuous) (imperial)

value

32°F - 176°F

label

With position indicator

value

No

label

Spindle and/or hand wheel rising

value

No

label

With waste fitting

value

No

label

Kvs value

value

519m³/h

label

Length of connection 1

value

100mm

label

Length of connection 1 (imperial)

value

3.94"

label

Working length connection 1

value

100mm

label

Working length connection 1 (imperial)

value

3.94"

label

Length of connection 2

value

100mm

label

Length of connection 2 (imperial)

value

3.94"

label

Working length connection 2

value

100mm

label

Working length connection 2 (imperial)

value

3.94"

label

Handle/hand wheel height

value

48mm

label

Handle/hand wheel height (imperial)

value

1.89"

label

Length of handle/diameter of hand wheel

value

200mm

label

Length of handle/diameter of hand wheel (imperial)

value

7.87"

label

VdS quality mark

value

No

label

KIWA certified

value

No

label

Gastec QA mark

value

No

label

Gastec QA - AR 214 (H2)

value

No

carbon footprint (A-C) embodied carbon

78.47kgCO2e

data source

TM65

got any questions?

feel free to contact us

product selected products selected

you can compare up to 2 products

you can compare up to 4 products

saving downloads requires an account

added to my IPS

view view
sluiten

send by email

This field is for validation purposes and should be left unchanged.
optional

NEW: myIPS including submittal package builder

streamline your projects effortlessly with our new submittal package builder! Compile, customize, and download our comprehensive product data sheets.

requires an account